Мы используем cookie для наилучшего представления нашего сайта. Подробнее об этом в Политике конфиденциальности.
Ок

Муром

Ваш город:
Муром (Владимирская область)?
Нет
Да
Каталог
Каталог Написать в WhatsApp
Мотоэкипировка

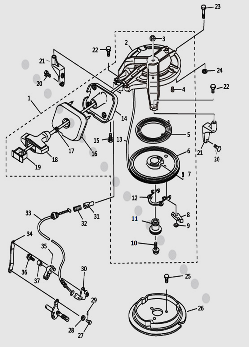
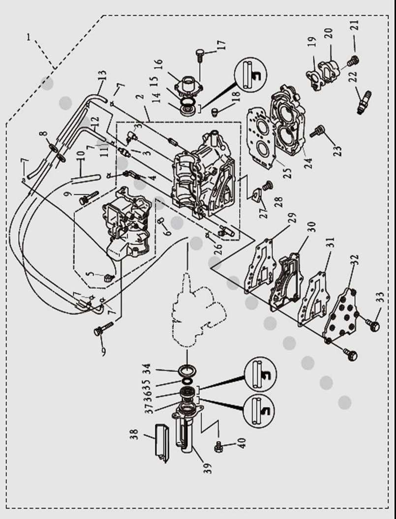
Запчасти для 2-х тактного ПЛМ YAMABISI T9.8BMS

Запчасти для 2-х тактного ПЛМ YAMABISI T9.8BMS в Нижнем Новгороде: актуальный каталог, цены, фото, описание. Купите запчасти для 2-х тактного плм yamabisi t9.8bms в кредит – оформите заявку онлайн за 1 минуту!
Для ускорения поиска, Ты можешь ввести здесь часть названия детали, например «Поршень»

On-line каталоги

Главная Магазины
Корзина0
Профиль